Novi artikli
ZRAČNI ZAVORNI CILINDER - MEMBRANA 100 mm
Šifra:
13647
OEM:
9990000099726
Stopnja davka
22 %
Cena brez DDV:
52,46 EUR
Cena z DDV:
64,00 EUR
Ref:
14
Opis:
Univerzalni batni zavorni cilinder, zasnovan za pnevmatski način zaviranja. Uporablja se pri kmetijskih, sadjarskih, gozdnih in gradbenih prikolicah, tovornjakih, trosilnikih, cisterne za gnojevko, škropilnice in ostale zadeve, ki imajo sistem pnevmatskega zaviranja.
Kompatibilno s prikolicami :
Tehnostroj, DAF, Krone, Scania, RVI, MB, MAN, Autosan Sanok: D-35 , D-47 , D-50 D-732 , HL 8011 , HL 6011.
Dobavitelj:
Poljska
Vračilo ali menjava:
14 dni
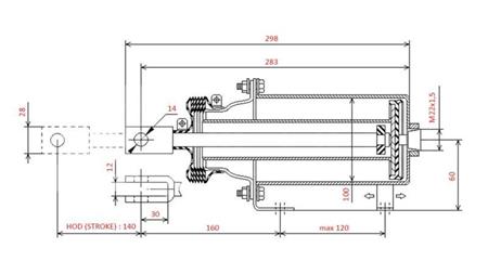
dimenzije razmaka lukenj za montažo:
120 mm / fi 13 mm
Teža izdelka:
3,050 kg
Garancija:
6 mesecev
Navoj:
M22x1.5
Premer:
100 mm
Hod cilindra:
140 mm







