Novi artikli
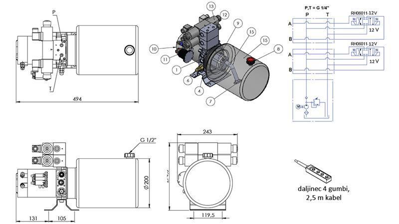
MINI HIDRAVLIČNI AGREGAT 12V DC - 1,6kW = 2,1cc - 8 lit - 2x dvosmerni sklop (kovinski)
Šifra:
11286
OEM:
9990000017522
Stopnja davka
22 %
Cena brez DDV:
383,61 EUR
Cena z DDV:
468,00 EUR
Ref:
12

Informativen izračun ob nakupu na obroke
polog0,00 EUR
3 × 169,80 EUR
polog0,00 EUR
6 × 85,85 EUR
polog0,00 EUR
12 × 43,89 EUR
polog0,00 EUR
24 × 22,93 EUR
polog0,00 EUR
36 × 15,96 EUR
polog0,00 EUR
48 × 12,49 EUR
polog0,00 EUR
60 × 10,42 EUR
Opis:
Mini hidravlični agregat so samostojne enote. Delujejo tako, da s pomočjo elektro motorja ustvari hidravlični tlak, potreben za pogon motorjev, valjev, za avtodvigala, hidravlične cilindre in ostale aplikacije.
Dobavitelj:
Turčija
Moč motorja:
1,6 kW
pretok črpalke:
2,1 cc
pretok agregata:
5,6 lit/min
Prostornina rezervoarja:
8 litrov
Max. delovni tlak:
155 bar
Vračilo ali menjava:
14 dni
Vrtljaji:
2500 vrt/min
Napetost:
12 V


.jpg)
.jpg)
.jpg)


