Novi artikli
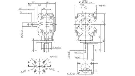
KOTNI REDUKTOR T-311J 1:3 (50HP-36,8kW)
Šifra:
100137
OEM:
9990000024681
Stopnja davka
22 %
Cena brez DDV:
217,21 EUR
Cena z DDV:
265,00 EUR
Ref:
24

Informativen izračun ob nakupu na obroke
polog0,00 EUR
3 × 88,33 EUR
polog0,00 EUR
6 × 48,82 EUR
polog0,00 EUR
12 × 24,90 EUR
polog0,00 EUR
24 × 12,94 EUR
Vračilo ali menjava:
14 dni
rotacija reduktorja:
desni
koda proizvajalca:
9.311.874.20
Obremenitev:
50 HP (36,8 kW)
izhodna osovina:
gred 33 mm
tip reduktorja:
T-311J (kotni prenos)
Mazalno sredstvo:
v reduktor je potrebno naliti olje SAE 90 1,2 lit.
vhodna osovina:
kardanska (1”3/8 – 6 zob)


.jpg)

.jpg)


