Novi artikli
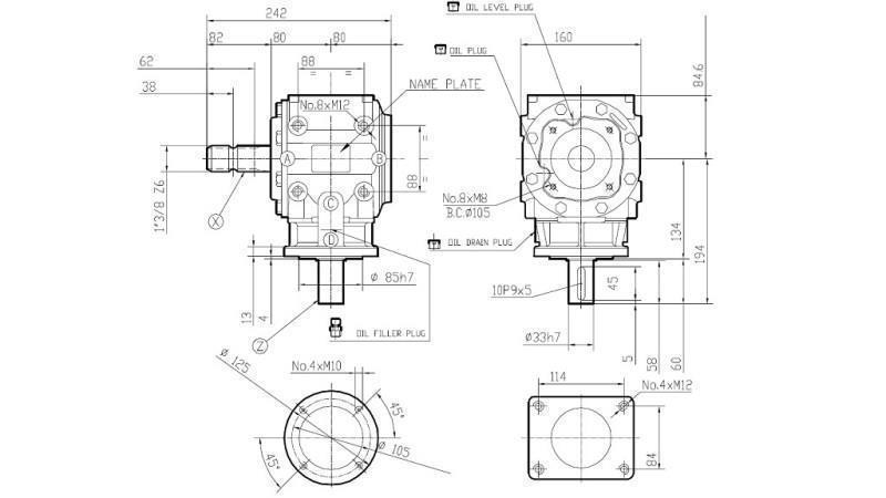
KOTNI REDUKTOR T-310J 1:3 (30HP-22kW)
Šifra:
100138
OEM:
9990000024698
Stopnja davka
22 %
Cena brez DDV:
204,92 EUR
Cena z DDV:
250,00 EUR
Ref:
9

Informativen izračun ob nakupu na obroke
polog0,00 EUR
3 × 90,51 EUR
polog0,00 EUR
6 × 45,76 EUR
polog0,00 EUR
12 × 23,39 EUR
polog0,00 EUR
24 × 12,22 EUR
Vračilo ali menjava:
14 dni
rotacija reduktorja:
desni
koda proizvajalca:
9.310.875.00
Obremenitev:
30 HP (22,0 kW)
izhodna osovina:
gred 33 mm
tip reduktorja:
T-310J (kotni prenos)
mazalno sredstvo:
v reduktor je potrebno naliti olje SAE 90 0,8 lit
vhodna osovina:
kardanska (1”3/8 – 6 zob)




.jpg)



