Novi artikli
HIDRAVLIČNA ČRPALKA GR.3 55 CC DESNA - PRIROBNICE
Šifra:
10946
OEM:
9990000008650
Stopnja davka
22 %
Cena brez DDV:
118,85 EUR
Cena z DDV:
145,00 EUR
Ref:
10

Informativen izračun ob nakupu na obroke
polog0,00 EUR
3 × 48,67 EUR
polog0,00 EUR
6 × 26,90 EUR
polog0,00 EUR
12 × 13,72 EUR

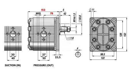
|
Pretok (L/min) |
Delovni tlak (bar) |
Max. tlak (bar) |
Vrtljaji (rpm) |
A (mm) |
B (mm) |
|
34 |
200 |
250 |
3000 |
137 |
69,8 |
|
39 |
141 |
71,8 |
|||
|
43 |
2800 |
143,5 |
73 |
||
|
46 |
2400 |
146,5 |
74 |
||
|
51 |
149,5 |
76 |
|||
|
55 |
152 |
78 |
Dobavitelj:
Španija
Smer vrtenja:
desna
Delovni tlak:
200 bar
Vračilo ali menjava:
ni možno
Premer navoja tlačne odprtine:
50 mm
Premer navoja sesalne odprtine:
40 mm
max. trenutni tlak:
250 bar
Max. vrtljaji:
2400 rpm
Pretok:
55 (L/min)










