Nové produkty
VENTIL TLAKOVÉHO SPÍNAČE 3/8 45 LIT
Kód produktu:
100242
OEM:
9990000036332
Sazba daně
22 %
Cena bez DPH:
460,70 CZK
Cena s DPH:
562,05 CZK
Ref:
2
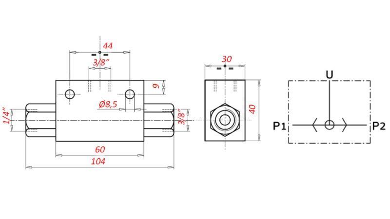
Popis:
Ventil tlakového spínače se používá k výběru vyššího tlaku mezi dvěma tlakovýma linkama.
Připojte P1 a P2 k tlakové lince a U k ovládání.
Dodavatel:
Itálie
Vrátit nebo vyměnit:
14 dní
Připojení:
3/8"
Hmotnost produktu:
0.46 kg
Záruka:
6 měsíců
Max. průtok:
45 l/min
max. tlak:
250 bar






