Nové produkty
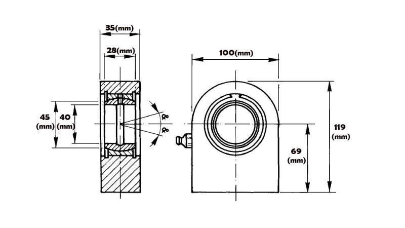
NAVAŘOVACÍ KULOVÝ KLOUB S PLOCHOU ZÁKLADNOU Φ 40/100
Kód produktu:
11523
OEM:
9990000020607
Sazba daně
22 %
Cena bez DPH:
600,91 CZK
Cena s DPH:
733,11 CZK
Ref:
29
Sférická ložiska GE
– svářecí spojení oka jsou určena pro svařování na hydraulických válcích, tyčích, podpěrách a dalších podobných částech, kde je vyžadován pohyb. Díky své konstrukci jsou určena pro vyšší zatížení nebo kapacity. Jejich konstrukce nevyžaduje zvláštní údržbu, a proto je jejich životnost poměrně dlouhá.
Dodavatel:
Itálie
maximální dynamické zatížení:
10 tun
standard:
DIN 648, Série E, typ C
Vrátit nebo vyměnit:
14 dní
Záruka:
6 měsíců







