Nové produkty
PŘEVODOVKA PRO HYDRAULICKOU PUMPU - ISUZU MOY CR VACUUM
Kód produktu:
12891
OEM:
9990000081240
Sazba daně
22 %
Cena bez DPH:
6.129,25 CZK
Cena s DPH:
7.477,69 CZK
Ref:
1
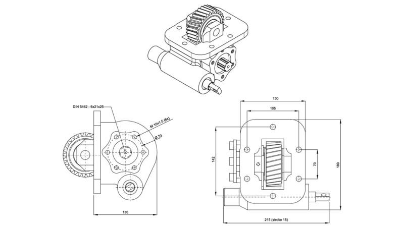
Popis:
Převodovky jsou vhodné pro užitková vozidla, kde je vyžadována instalace hydraulické pumpy. Instalace typu litinové pumpy je možná:
ISO (pumpa pro uchycení se třemi (3) šrouby)
UNI (pumpa pro uchycení se čtyřmi (4) šrouby)
Kompatibilní s převodovkami typu:
MOY-9F / MOY-9H / MOYCR
Vhodné pro vozidla: Isuzu
4.3 NP 66-71-75-77 ISUZU CHAMPION (2005-2006) / NKR 250 / NKR 66 E2L
Dodavatel:
Turecko
Type:
ISO (3 šrouby)
Vrátit nebo vyměnit:
14 dní
kroutící moment:
225 Nm
řízení:
vakuum
Otáčky:
1000 ot./min
Hmotnost produktu:
13 kg
Záruka:
6 měsíců
montáž:
vlevo
Load:
14.2 Hp (10.6 kW)
převodový poměr:
1:1.03






