Nové produkty
PŘEVODOVKA GR.3 -1:3 SAMEC VSTUP - SAMEC VÝSTUP
| Technické informace | |
| Dodavatel: | Čína |
| Vrácení nebo výměna: | 14 dní |
| Záruka: | 6 měsíců |
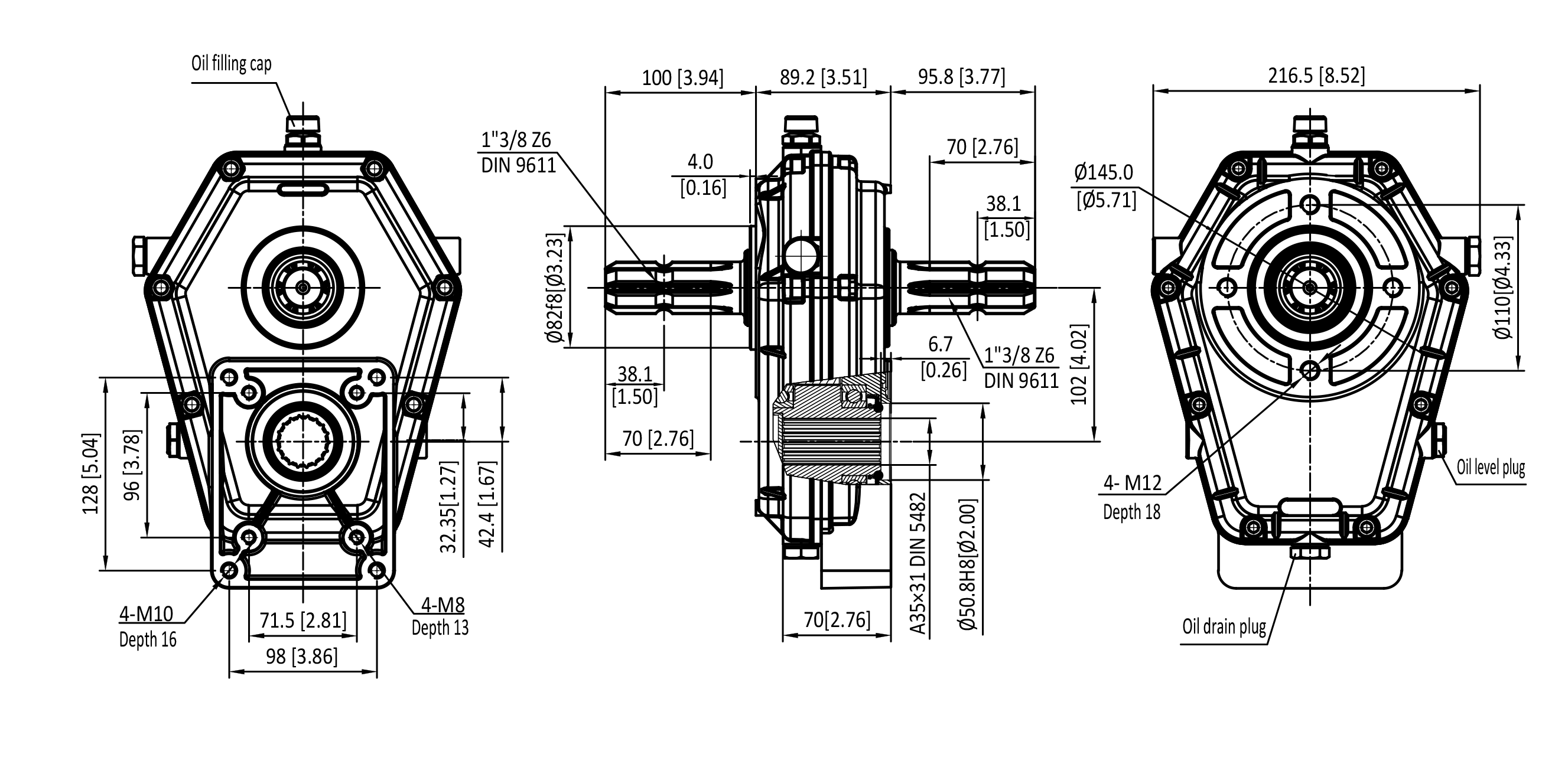
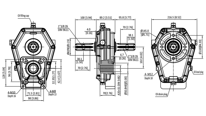
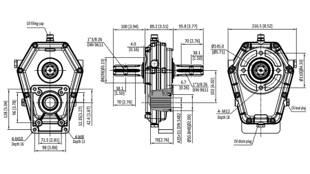
| Převodový poměr: | 1:3 |
| Pro hydraulické čerpadla: | GR. 3 |
| Připojení: | Hřídel PTO na obou stranách - 1" 3/8 – 6 drážek (samec) |
| Vstupní otáčky: | 540 ot/min |
| Vstupní kroutící moment: | 49 daNm |
| Výstupní otáčky: | 1620 ot/min (max. 3000 ot/min) |
| Výstupní kroutící moment: | 16 daNm |
| Zatížení: | až 20 kW |
| Hmotnost produktu: | 8,3 kg |
| Mazivo převodovky: | olej SAE 90 |
ROZMĚRY

NÁVOD K POUŽITÍ
1. Určení
Převodovka je mechanický převod, který zvyšuje otáčky výstupní hřídele a umožňuje provoz hydraulického ozubeného čerpadla přes hřídel PTO traktoru.
Používá se k pohonu:
- hydraulických pohonů,
- lesnických navijáků,
- štípačů dřeva,
- dalšího hydraulického zařízení.
2. Montážní poloha
Převodovka musí být namontována ve správné provozní poloze, aby byla zajištěna správná lubrikace převodů. Doporučuje se horizontální montáž, takže čerpadlo a převodovka by měly být ukotveny vodorovně.
Důležité:
- převodovka musí být vždy namontována tak, aby olej uvnitř skříně byl v kontaktu s ozubeným převodem,
- dlouhodobý provoz v obrácené poloze není povolen,
- převodovka musí být mechanicky podepřena (nesmí viset pouze na hřídeli PTO).
3. Směr otáčení
Před montáží zkontrolujte směr otáčení hřídele PTO a požadovaný směr otáčení hydraulického čerpadla.
Nesprávný směr otáčení může způsobit poškození čerpadla, selhání těsnění a špatný tok oleje.
4. Olejové mazání
Převodovka musí být uvnitř skříně trvale mazána olejem, aby byla zajištěna správná funkce převodů. Doporučeným mazivem je převodový olej SAE 90.
Převodovka musí být naplněna olejem až po kontrolní úroveň.
Před prvním použitím odšroubujte plnící zástrčku, doplňte olej až po značku hladiny a znovu uzavřete zástrčku.
Před každým použitím zkontrolujte hladinu oleje. První výměna oleje se doporučuje po 50 provozních hodinách, poté každých 1500 provozních hodin nebo jednou ročně.
5. Provozní teplota
Normální provozní teplota skříně převodovky je mezi 50 a 80 °C. Pokud překročí 90 °C, zkontrolujte hladinu oleje, zatížení a osazení.
6. Údržba a možné problémy
| Problém | Možná příčina | Řešení |
| Přehřívání | Nedostatečná hladina oleje | Zkontrolujte hladinu oleje |
| Hluk | Opotřebovaná ložiska | Servis |
| Vibrace | Nesprávné osazení | Zkontrolujte montáž |
| Únik oleje | Poškozené těsnění | Vyměňte těsnění |









