Nové produkty
HYDRAULICKÝ RUČNÍ EMERGENČNÍ VENTIL
Kód produktu:
13696
OEM:
9990000102310
Sazba daně
22 %
Cena bez DPH:
1.707,31 CZK
Cena s DPH:
2.082,92 CZK
Ref:
3
Popis:
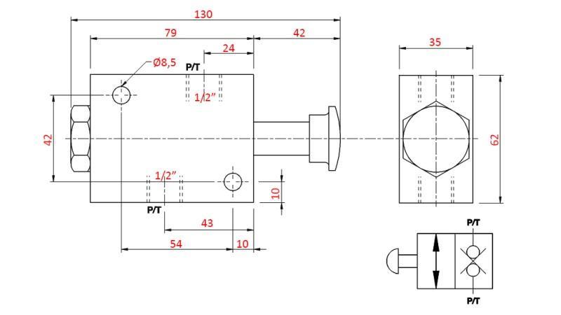
Hydraulický ruční emergenční ventil se skluzem umožňuje průtok oleje v hydraulickém okruhu. Když stisknete tlačítko, olej proudí z P do T nebo naopak. Obvykle se používá jako bezpečnostní ventil v hydraulických aplikacích.
Připojte P a T připojení k ovládacímu ventilu nebo hydraulickému okruhu. Když stisknete tlačítko, průtok je volný; jinak je průtok zablokován v obou směrech.
Dodavatel:
Itálie
Vrátit nebo vyměnit:
14 dní
Hmotnost produktu:
1,25 kg
Záruka:
6 měsíců
Vlákno:
1/2"
Max. průtok:
70 l/min
max. tlak:
350 bar








