Nové produkty
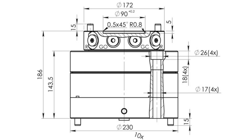
HYDRAULICKÝ ROTÁTOR CPR5-01 10000/5000 KG
Popis:
'HYDRAULICKÝ ROTÁTOR CPR5-01 10000/5000 KG'
Hydraulický rotátor pro lesnické drapáky je klíčovou součástí, která se používá k zvýšení efektivity a flexibility při manipulaci s těžkými náklady, jako jsou klády, větve a další materiály. Tento rotátor je obvykle navržen tak, aby se připojil na konec teleskopického ramene nebo na vrchol drapáku, což umožňuje nezávislou rotaci a přesnou manipulaci a umístění nákladů.
Hydraulický provoz: Rotátor je poháněn hydraulikou, což umožňuje snadnou a kontrolovanou rotaci drapáku. Hydraulický systém umožňuje přesnou kontrolu nad rychlostí a směrem rotace.
Neomezená rotace: Jednou z hlavních vlastností rotátoru drapáku je jeho plná rotace o 360 stupňů. To znamená, že se může otáčet v jakémkoli směru, což usnadňuje zvedání, umisťování a vykládání materiálů v různých pozicích.
Vysoká statická a dynamická nosnost: Rotátory jsou navrženy tak, aby zvládly těžké náklady, jako jsou velké klády nebo více klád najednou.
Robustní konstrukce: Vzhledem k náročným provozním podmínkám lesnického vybavení je design rotátoru velmi robustní pro maximální životnost.
Účel: Hydraulický rotátor pro drapáky je klíčovou součástí moderního lesnického vybavení, které zlepšuje efektivitu, bezpečnost a flexibilitu při těžbě a manipulaci s dřevem. Při výběru hydraulického rotátoru je důležité zvážit specifické potřeby operace a zajistit kompatibilitu s existujícím vybavením.









