Nové produkty
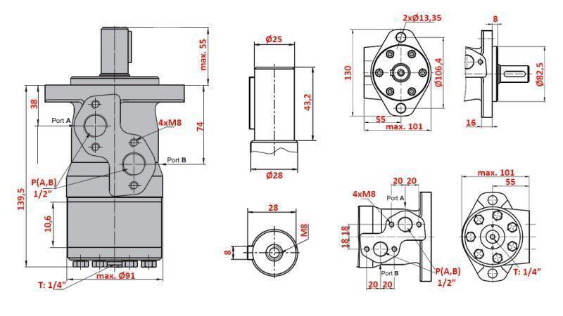
HYDRAULICKÝ MOTOR MP 80
| Technické údaje | |
| Dodavatel: | Bulharsko |
| Vrácení nebo výměna: | 14 dní |
| Záruka: | 6 měsíců |
| Hmotnost: | 5,9 kg |
| Teplotní rozsah: | od -40 °C do 140 °C |
| cm³ na otáčku: | 79,2 |
| Otáčky: | stálé otáčky 755 rpm, přerušovaný 945 rpm |
| Výkon: | stálý výkon 10,2 kW, přerušovaný 12,5 kW |
| Točivý moment: | stálý točivý moment 15,1 daNm, přerušovaný 19,5 daNm, max. 22,4 daNm |
| Vstupní tlak: | stálý tlak 175 bar, přerušovaný 200 bar, max. 225 bar |
| Ztráta tlaku: | stálý tlak 140 bar, přerušovaný 175 bar, max. 225 bar |
| Průtok oleje: | stálý průtok 60 L/min, přerušovaný 75 L/min |
| Průměr hřídele: | 25 mm |
| Připojovací závit: | 1/2" |
Popis
Hydraulické motory MP jsou spolehlivé a kompaktní, navržené pro použití v různých hydraulických systémech, kde je vyžadována vysoká účinnost a dlouhá životnost. Vyznačují se robustní konstrukcí, přesnou výrobou a vynikající odolností vůči vysokému zatížení.
Jsou vhodné pro použití v zemědělských, lesnických a průmyslových strojích, kde zajišťují spolehlivý přenos výkonu a stálý točivý moment při různých otáčkách.
Hlavní výhody hydraulických motorů MP:
- vysoká účinnost a přesný provoz
- robustní konstrukce a dlouhá životnost
- vhodné pro náročné pracovní podmínky
- široká škála velikostí
Použití: hydraulické navijáky, štípače dřeva, dopravníky a jako pohon pro zemědělské a lesnické nástavce.

| L | L1 | |
| (mm) | ||
| MP 40 | 136,5 | 7,4 |
| MP 50 | 135,5 | 6,67 |
| MP 80 | 139,5 | 10,67 |
| MP 100 | 142 | 13,33 |
| MP 125 | 145,5 | 16,67 |
| MP 160 | 150 | 21,33 |
| MP 200 | 155,5 | 26,67 |
| MP 250 | 162 | 33,33 |
| MP 315 | 171,5 | 42,67 |
| MP 400 | 182 | 53,33 |












