Nové produkty
HYDRAULISCHE MOTOR MR 32 ECO (ALSG2-L-32)
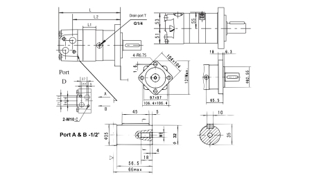
| Technické údaje | |
| Dodavatel: | Čína |
| Vrácení nebo výměna: | 14 dní |
| Záruka: | 6 měsíců |
| Průměr hřídele: | 25 mm |
| Průtok oleje: | stálý průtok 40 L/min, přerušovaný 45 L/min |
| Připojovací závit: | 1/2" |
| Teplotní rozsah: | od -40 °C do 140 °C |
| Krouticí moment: | stálý krouticí moment 3,6 daNm, přerušovaný 4,3 daNm |
| Otáčky: | stálé otáčky 1104 rpm, přerušovaný 1173 rpm |
| Tlaková ztráta: | stálý tlak 100 bar, přerušovaný 140 bar |
| Výkon: | stálý výkon 8,5 kW, přerušovaný 10,5 kW |
| cm³/otáčku: | 32,6 |
| Hmotnost: | 6,4 kg |
POPIS – HYDRAULICKÉ MOTORY MR ECO
Hydraulické motory typu MR jsou kompaktní, robustní a spolehlivé s orbitálním designem. Díky své jednoduché konstrukci a vysoké účinnosti jsou vhodné pro širokou škálu aplikací.
Verze ECO zachovává standardní kvalitu a spolehlivost, přičemž je cenově dostupnější, protože ji vyrábějí důvěryhodní výrobci bez přirážky za značku.
Vyznačují se:
- velkým objemem při nízkých otáčkách,
- plynulým a tichým chodem,
- dlouhou životností díky vysoce kvalitním materiálům a těsněním,
- možností provozu v obou směrech otáčení,
- nízkou spotřebou oleje vzhledem k výstupnímu výkonu,
- verze ECO: stejná kvalita a výkon za nižší cenu.
Hydraulické motory MR se používají především v zemědělských, lesnických a stavebních strojích, stejně jako v průmyslu, kde je vyžadována spolehlivá a efektivní přeměna hydraulické energie na mechanický pohyb – nyní s ještě větším důrazem na udržitelné využívání energie.

|
L |
L1 |
|
|
(mm) |
(mm) |
|
|
MR 50 ECO |
140 |
10 |
|
MR 80 ECO |
146 |
16 |
|
MR 100 ECO |
150 |
20 |
|
MR 125 ECO |
155 |
25 |
|
MR 160 ECO |
161,5 |
30,5 |
|
MR 200 ECO |
170 |
38,1 |
|
MR 250 ECO |
180 |
50 |
|
MR 315 ECO |
192 |
62 |
|
MR 400 ECO |
204 |
74 |


%20-1.png)







