Produits nouveaux
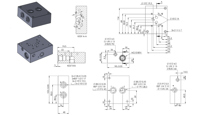
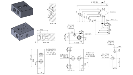
BASE CETOP NG10-1-RV
| Informations techniques | |
|
Fournisseur : |
Turquie |
|
Retour ou échange : |
14 jours |
|
Garantie : |
6 mois |
|
Type : |
NG10-1-RV |
|
Matériau : |
Aluminium |
|
Pression : |
max. 250 bar |
|
Débit : |
max. 80 l/min |
Description
La sous-plaque CETOP NG10-1 est une plaque de montage standardisée conçue pour l'installation de valves hydrauliques de taille NG10 (CETOP 5) conformément à la norme ISO 4401-05. Elle permet une connexion simple, rapide et fiable de la valve au système hydraulique.
La sous-plaque CETOP NG10-RV est une version améliorée de la sous-plaque standard NG10 (CETOP 5 / ISO 4401-05), équipée d'une valve de décharge intégrée. Elle est conçue pour protéger le système hydraulique contre une pression excessive et assure un fonctionnement sûr et fiable.
La valve de décharge intégrée permet une limitation de pression directement sur la sous-plaque, réduisant le besoin de composants supplémentaires, simplifiant l'installation et offrant un design de système plus compact.
Dimensions









